




STD 400 PRO ATEX 21 Industriestaubsauger für Zone 20/21 mit hoher Leistung & Edelstahlbauweise
Der STD 400 PRO ATEX 21 ist ein leistungsstarker Industriesauger für explosionsgefährdete Atmosphären konzipiert für den sicheren Einsatz in ATEX-Bereichen (intern Zone 20, extern Zone 21). Mit 3,4 kW Turbinenleistung, robustem Edelstahlgehäuse, großem 75-Liter-Tank und leitfähigem Patronenfiltersystem bietet er anspruchsvollen Betrieben eine zuverlässige, zertifizierte und wartungsarme Lösung für Staubabsaugung unter härtesten Bedingungen.
Einsatzbereiche
Der STD 400 PRO ATEX 21 eignet sich besonders für:
- Produktions- und Fertigungsanlagen mit explosionsfähigen Stäuben z. B. Metall-, Holz-, Kunststoff- oder Pulverstäube.
- Industrieumgebungen mit regelmäßiger oder kontinuierlicher Staubbelastung dank hoher Kapazität und Dauereignung (24/7-Betrieb).
- Schwerlast- oder Großanlagen Umgebungen, bei denen robustes Equipment notwendig ist.
- Anwendungen mit erhöhten Sicherheitsanforderungen (ATEX Zone 20/21) insbesondere bei Staubexplosion-Risiko.
Einsatzbereich: Industriestaubsauger für Staub. ATEX zertifiziert für den sicheren Einsatz in explosionsgefährdeten Bereichen (Zone 20/21). Geeignet für Dauerbetrieb (24/7) ohne Wartung.
Motorisierung: Turbine, einphasig oder dreiphasig → flexibel bei der Stromversorgung
Kennzeichnung: II 2D Ex h tb IIIC T135°C Db IP64
Zone: ATEX Zone 20 (intern) / 21 (extern)
Leistung: 3,4 kW
Spannung: 400 V
Frequenz: 50/60 Hz
Stromaufnahme: 8,9 A
Luftstrom: 320 m³/h (bei 50 Hz)
Unterdruck: 320 mbar
Ventil-Unterdruck: 220 mbar
Sauganschluss: Typ B, tangential, 60 mm
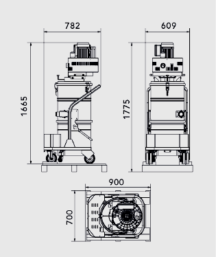
Abmessungen: 85 × 60 × 135 cm
Gewicht: 90 kg
Sammlungssystem: 75-Liter-Tank
Tank- und Longopac Austauschbarkeit: Nein
Material: Edelstahl AISI 304 (Filterkammer + Tank)
Filterkammer-Durchmesser: Ø 460 mm
Filtertyp: Patronenfilter, M-Klasse, leitfähig aluminiert
Filterfläche: 22.000 cm²
Filterreinigung: Halbautomatisch, pneumo-mechanischer Rüttler
HEPA-Filter: Optional erhältlich
Besonderheit:
- ATEX-zertifiziert für Zone 20/21 → sicherer Betrieb in explosionsgefährdeten Bereichen.
- Standard-Sicherheitsventil für zusätzlichen Schutz.
- Integrierter Schalldämpfer für leiseren Betrieb.
- Für 24/7 Betrieb ohne Wartung geeignet.
- Robuste Edelstahlkonstruktion für lange Lebensdauer.
- Sicherheitsventil, Schalldämpfer, für Dauerbetrieb geeignet, ATEX-Zertifizierung, große Filter- und Behälterkapazität
Vorteile & Nachteile
✅ Vorteile
- Vollständig ATEX-zertifiziert für Zone 20/21 sicherer Betrieb in explosionsgefährdeten Staubatmosphären.
- Robuste Edelstahlbauweise und großer 75 L-Tank geeignet für anspruchsvolle, dauerhafte industrielle Anwendungen.
- Leistungsstarke Turbine mit kräftigem Luftstrom und Unterdruck zuverlässig auch bei hohen Staubvolumina.
- Leitfähiger Patronenfilter mit großer Filterfläche & halbautomatischer Reinigung weniger Wartungsaufwand, beständige Saugleistung.
- Edelstahl und geprüfte Sicherheit machen das Gerät langlebig und geeignet für rauen Industrieeinsatz.
⚠️ Nachteile / Einschränkungen
- Kein Longopac- oder Sacksystem Entleerung über Tank; bei kontaminierten oder besonders feinen Staubarten muss Entleerung vorsichtig erfolgen.
- Gerät mit ca. 90 kg und 135 cm Höhe recht sperrig nicht ideal für häufige Ortswechsel oder mobile Einsätze.
- Tank und Behälter fest weniger flexibel als Geräte mit Wechselbehälter oder Einwegsäcken.
- Für kleine Werkstätten oder punktuelle Einsätze kann ein kompakterer Sauger mit geringerem Invest sinnvoller sein.
Vergleich & Alternativen (je nach Anwendung)
| Einsatz-/Bedarfskriterium | Empfehlung |
|---|
| Große Staubmengen, Dauerbetrieb, explosionsgefährliche Umgebung | STD 400 PRO ATEX 21 maximale Kapazität, robust, sicher |
| Mobile Einsätze, kleine Werkstatt, punktuelle Absaugung | Kompaktere ATEX-Sauger mit kleinerem Tank leichter, einfacher zu bewegen |
| Hygienische Entleerung bei kritischen Stäuben | Sauger mit Longopac / Sacklösung weniger Kontakt beim Entleeren |
| Mehrere Absaugpunkte / große Produktionsfläche | Zentrale Absauganlage oder modulare Systeme mit mehreren Saugpunkten |
FAQ Häufige Fragen zum STD 400 PRO ATEX 21
Für welche ATEX-Zone ist das Gerät zugelassen?
Der STD 400 PRO ATEX 21 ist zertifiziert für Staub-Explosionsbereiche: intern Zone 20, extern Zone 21.
Für welche Stoffe / Stäube eignet sich der Sauger?
Er ist ausgelegt für brennbare, explosionsfähige, trockene Stäube z. B. Metall-, Holz-, Kunststoff- oder Pulverstäube.
Wie groß ist der Sammelbehälter?
Der Sauger hat einen 75-Liter-Edelstahlbehälter.
Wie erfolgt die Filterreinigung?
Über einen halbautomatischen, pneumatisch-mechanischen Rüttler das reduziert den Filterwiderstand und Wartungsaufwand.
Ist der Sauger für den Dauerbetrieb geeignet?
Ja das Gerät ist laut Hersteller für 24/7-Betrieb ausgelegt und auf industrielle Anforderungen mit hoher Belastung ausgelegt.
Beratung & Angebot
Sie sind unsicher, ob der STD 400 PRO ATEX 21 für Ihre Anforderungen optimal ist z. B. hinsichtlich Staubart, Volumen, Arbeitsumgebung oder ATEX-Zone?
Kontaktieren Sie uns für eine unabhängige Beratung und ein individuelles Angebot. Wir analysieren Ihre Situation und empfehlen die passende Absaugtechnik für Ihre Prozesse.
Entdecken Sie jetzt unsere besten Alternativen Produkte & Angebote auf einen Blick

M H Filter

230 Volt aus 75% recycelte Kunststoff


