




STD 220 PRO ATEX 2-22 Leistungsstarker Industriestaubsauger für Zone 20/22 PRO ATEX 2-22
Der STD 220 PRO ATEX 2-22 ist ein robuster Industriesauger, zertifiziert für den sicheren Einsatz in explosionsgefährdeten Bereichen (Zone 20/22). Mit einer 2 kW-Turbinenmotorisierung, Edelstahlkonstruktion und großem 75-Liter-Sammelbehälter wurde der Sauger für den Dauerbetrieb (24/7) konzipiert. Damit eignet er sich ideal für industrielle Anwendungen mit hohen Staubaufkommen und strengen Sicherheitsanforderungen.
Einsatzbereiche
Der STD 220 PRO ATEX 2-22 ist besonders geeignet für:
- Produktionsstätten und Fertigungsbereiche mit explosionsgefährlichen Stäuben (Metall, Holz, Kunststoff, Pulver etc.) unter ATEX-Bedingungen (Zone 20/22).
- Anwendungen mit hohem oder kontinuierlichem Staubaufkommen dank großer Sammelkapazität und langlebiger Konstruktion.
- Mechanische Bearbeitung, Schleif- oder Schleifprozesse, Entstaubung nach spanender Bearbeitung, Lack- und Pulverprozesse oder allgemeine industrielle Reinigung.
- Betriebe, die auf zuverlässige, wartungsarme und zertifizierte Absaugtechnik für Dauerbetrieb setzen.
Einsatzbereich: Industriestaubsauger für Staub. ATEX zertifiziert für den sicheren Einsatz in explosionsgefährdeten Bereichen (Zone 20/22). Für Dauerbetrieb (24/7) ohne Wartung ausgelegt.
Motorisierung: Turbine, einphasig oder dreiphasig (für flexible Stromversorgung)
Kennzeichnung: II 3G Ex dc h IIB T3 Gc / II 3D Ex h tc IIIC T135°C Dc IP65
Zone: ATEX Zone 20/22
Leistung: 2 kW
Spannung: 230 V
Frequenz: 50 Hz
Stromaufnahme: 16 A
Luftstrom: 320 m³/h (50 Hz)
Unterdruck: 300 mbar
Ventil-Unterdruck: 200 mbar
Sauganschluss: Typ B, tangential, 60 mm
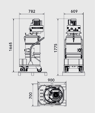
Abmessungen: 85 × 60 × 135 cm
Gewicht: 90 kg
Sammlungssystem: 75-Liter-Tank
Tank- und Longopac Austauschbarkeit: Nein
Material: Edelstahl AISI 304 (Filterkammer und Tank)
Filterkammer-Durchmesser: Ø 460 mm
Filtertyp: Patronenfilter, M-Klasse, leitfähig aluminiert
Filterfläche: 22.000 cm²
Filterreinigung: Halbautomatisch, pneumo-mechanischer Rüttler
HEPA-Filter: Optional erhältlich
Besonderheit:
- ATEX-zertifiziert für Zone 20/22.
- Standard Sicherheitsventil für zusätzlichen Schutz.
- Integrierter Schalldämpfer reduziert Betriebsgeräusche.
- Flexible Motorisierung (1 oder 3 phasig).
- Robuste Edelstahlkonstruktion, wartungsfrei für den Dauerbetrieb (24/7).
Vorteile & Nachteile
✅ Vorteile
- Vollständig ATEX-geprüft für Zone 20/22 sicherer Einsatz in explosionsgefährdeten Staubatmosphären.
- Große Sammelkapazität (75 L) ideal für hohe Staubmengen und lange Einsatzzeiten.
- Edelstahlbauweise + robuste Filterkammer langlebig und widerstandsfähig auch bei intensiver industrieller Nutzung.
- Leistungsstarke Turbine & starke Luftleistung ausreichend Saugleistung für anspruchsvolle industrielle Prozesse.
- Halbautomatische Filterreinigung reduziert Wartungsaufwand und sorgt für gleichbleibende Saugleistung.
- Optionaler HEPA-Filter möglich für Anwendungen mit feinen oder gesundheitskritischen Stäuben.
⚠️ Nachteile / Einschränkungen
- Kein Longopac- oder Sacksystem Entleerung erfolgt über Tankbehälter, was bei gefährlichen oder sehr feinen Stäuben ggf. hygienisch kritisch sein kann.
- Gewicht und Größe (ca. 90 kg / 135 cm Höhe) weniger mobil bzw. aufwändiger beim Umsetzen als kompakte Sauger.
- Bei sehr feinen oder toxischen Stäuben kann die Option eines HEPA-Filters bzw. zusätzliche Schutzmaßnahmen nötig sein.
- Im Vergleich zu kleineren Geräten höherer Initialaufwand und Platzbedarf sinnvoll primär für mittel- bis großvolumige industrielle Anwendungen.
FAQ Häufige Fragen zum STD 220 PRO ATEX 2-22
Für welche ATEX-Zone ist der Sauger zugelassen?
Der Sauger ist zertifiziert für ATEX Zone 20/22 (Kennzeichnung II 3G Ex dc h IIB T3 Gc / II 3D Ex h tc IIIC T135°C Dc IP65).
Für welche Stoffarten ist der Sauger ausgelegt?
Er ist für trockene, explosionsfähige Stäube konzipiert typischerweise Metall-, Kunststoff-, Holz- oder Pulverstäube. Für sehr feine oder gesundheitskritische Stäube kann ein optionaler HEPA-Filter verwendet werden.
Wie groß ist das Sammelvolumen?
Der Sauger verfügt über einen 75-Liter-Tank
Ist der Sauger für Dauerbetrieb geeignet?
Ja der STD 220 PRO ist ausdrücklich für den Dauerbetrieb (24/7) und wartungsarmen Betrieb konzipiert.
Wie wird der Filter gereinigt?
Die Filterreinigung erfolgt halbautomatisch über einen pneumatisch-mechanischen Rüttler.
Ja ein HEPA-Filter ist als Option erhältlich, um die Abscheidung auch sehr feiner Partikel zu gewährleisten.
Beratung & Angebot
Benötigen Sie eine fundierte Einschätzung, ob der STD 220 PRO ATEX 2-22 ideal zu Ihrer Anwendung passt etwa hinsichtlich Staubart, Volumen, Einsatzhäufigkeit oder ATEX-Zone?
Kontaktieren Sie uns für eine unabhängige Beratung & ein individuelles Angebot. Wir helfen Ihnen bei der Auswahl der passenden Absaugtechnik für Ihren Betrieb abgestimmt auf Ihre Anforderungen.
Entdecken Sie jetzt unsere besten Alternativen Produkte & Angebote auf einen Blick

M H Filter

230 Volt aus 75% recycelte Kunststoff


