



SD PN ATEX 2-22– Kompakter druckluftbetriebener Industriesauger für explosionsgefährdete Bereiche (Zone 20/22)
Der SD PN ATEX 2-22 ist ein druckluftbetriebener Industriestaubsauger, der komplett ohne elektrische Turbine auskommt ideal für ATEX-gefährdete Umgebungen. Mit Venturi-Saugsystem, robustem Gehäuse und ATEX-Zertifizierung eignet er sich besonders für die sichere Staub- und Partikelabsaugung in explosionsgefährdeten Bereichen.
Einsatzbereiche
Der SD PN ATEX 2-22 eignet sich insbesondere für:
Dauerbetrieb / häufige Nutzung geeignet für regelmäßige Entstaubung, industrielle Reinigungen oder permanente Absaugung bei Staub- oder Partikelaufkommen.
Reinigung und Absaugung in explosionsgefährdeten Zonen (Zone 20 intern / Zone 22 extern) z. B. in Metall-, Kunststoff- oder Pulverbearbeitung.
Staub- und Feststoffabsaugung an Arbeitsplätzen oder Maschinen, insbesondere dort, wo elektrische Antriebe oder Elektromotoren wegen Zündrisiko nicht zulässig sind.
Mobile oder flexible Einsätze der Sauger ist vergleichsweise kompakt und lässt sich flexibel einsetzen, ohne feste Installation eines Motors oder Elektrik.
Einsatzbereich: Druckluftbetriebener Industriestaubsauger für Staub und Feststoffe, geeignet für den 24/7 Dauerbetrieb ohne Wartung. Besonders ausgelegt für allgemeine Reinigungsaufgaben in explosionsgefährdeten Bereichen.
Motorisierung: Venturi (druckluftbetrieben)
Kennzeichnung: II 3GD Ex h IIB T6 (T85°C) Gc / Ex h IIIC T60°C Dc
Zone: 20/22 (ATEX-Zone)
Versorgungsdruck: 4 – 6 bar
Luftverbrauch: 1500 l/min
Luftstrom: 380 m³/h
Unterdruck bei 4 bar: 280 mbar
Unterdruck bei 6 bar: 380 mbar
Sauganschluss: Typ B, tangential, 60 mm
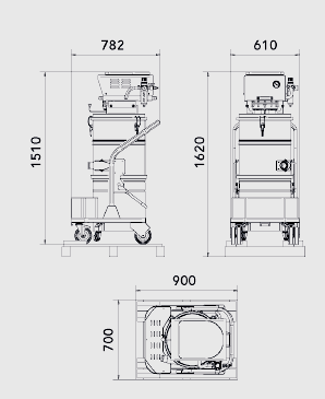
Abmessungen: 80 x 60 x 155 cm
Gewicht: 75 kg
Behältervolumen: 75 Liter
Filterkammer-Durchmesser: 460 mm
Filtertyp: Patronenfilter
Filterfläche: 22.000 cm²
Filterreinigung: Halbautomatischer pneumo mechanischer Rüttler
HEPA-Filter: Optional erhältlich
Besonderheit: ATEX-zertifiziert für Zone 20/22, mit größerem Sammelvolumen als die kompakteren Modelle. Robuster, druckluftbetriebener Sauger für den sicheren Dauerbetrieb ohne Verschleißteile ideal für explosionsgefährdete Umgebungen. Kein elektrischer Motor: Durch druckluftbetriebenes Venturi-System entstehen keine Zündquellen geeignet für Ex-Umgebungen.
Kompaktes, robustes Design bei guter Saugleistung und ausreichendem Unterdruck für viele industrielle Anwendungen ausreichend dimensioniert.
Robuste Filtereinheit mit Patronenfilter und optionaler HEPA-Nachfilterung — auch für feinere oder gesundheitsrelevante Stäube geeignet.
Vorteile & Nachteile
✅ Vorteile
- Explosionsgeschützt und druckluftbetrieben keine Zündquelle, sicherer Einsatz in ATEX-Zonen.
- Kompaktes und vergleichsweise leichtes Gerät (~ 75 kg) mobil und flexibel einsetzbar.
- Ausreichende Saugleistung (380 m³/h, bis 380 mbar Unterdruck) für typische Staub- und Partikelabsaugung geeignet.
- Großes Auffangvolumen (75 L) und manuelle Entleerung sinnvoll für mittlere Staub-/Partikelmengen.
- Patronenfilter mit Option auf HEPA-Nachfilterung auch für feinere oder gesundheitskritische Stäube einsetzbar.
- Halbautomatische Filterreinigung reduziert Wartungsaufwand und sichert Saugleistung langfristig.
⚠️ Nachteile / Einschränkungen
Filtertyp und Filterfläche ausreichend, aber bei sehr feinem Staub ggf. Zusatzfilter bzw. HEPA-Upgrade sinnvoll.
Abhängigkeit von Druckluftversorgung ein Kompressor oder entsprechende Druckluftversorgung muss vorhanden sein.
Für sehr große zentrale Absauganlagen oder umfangreiche Rohrnetze eher weniger geeignet Saugleistung und Behältervolumen sind für mittlere Anwendungen optimiert.
Behältervolumen 75 L bei hohen Staubmengen oder vielen Einsätzen regelmäßige Entleerung nötig.
FAQ – Häufige Fragen zum SD PN ATEX 2-22
Für welche Staubarten / Umgebung ist der Sauger zugelassen?
Der SD PN ATEX 2-22 ist für trockene Staubpartikel und Feststoffe in explosionsgefährdeten Bereichen (ATEX Zone 20/22) zertifiziert.
Benötigt der Sauger Strom oder läuft er druckluftbetrieben?
Das Gerät ist druckluftbetrieben (Venturi-System) und benötigt keinen elektrischen Motor somit keine elektrische Zündquelle.
Wie hoch sind Saugleistung und Unterdruck?
Luftstrom 380 m³/h; Unterdruck zwischen ~ 280 und 380 mbar je nach Luftdruck.
Wie groß ist der Sammelbehälter und wie wird entleert?
75 Liter Auffangbehälter; Entleerung manuell.
Ist eine Feinstaub-Nachfilterung möglich?
Ja eine HEPA-Nachfilterung ist optional erhältlich, um feinere oder gesundheitskritische Stäube sicher abzuscheiden.
Empfehlung & Call-to-Action
Wenn Sie einen kompakten, wartungsarmen und explosionsgeschützten Sauger für Staub und Partikelabsaugung in ATEX-Zone 20/22 suchen z. B. in Werkstatt oder Produktion ohne Strommotoren ist der SD PN ATEX 2-22 eine sehr gute Lösung.
Kontaktieren Sie uns für eine unverbindliche Beratung und ein Angebot. Wir prüfen mit Ihnen, ob dieses Modell Ihren Anforderungen entspricht oder ob ggf. ein anderes Modell besser geeignet ist.
Entdecken Sie jetzt unsere besten Alternativen Produkte & Angebote auf einen Blick

M H Filter

230 Volt aus 75% recycelte Kunststoff


