




HDC 511 P ICLEAN AIR CLEAN ATEX 2-22
Der HDC 511 P ICLEAN AIR CLEAN ATEX 2-22 ist ein sehr leistungsstarker Industriesaubsauger für feinste Stäube und explosionsgefährdete Umgebungen. Dank zweier Doppelstufen-Turbinen mit je 5,5 kW (Gesamtleistung 11 kW), automatischem Filterreinigungssystem (ICLEAN), robustem Edelstahlgehäuse und großer Sammelkapazität ist er ideal für Schwerindustrie, zentrale Absauganlagen und Anwendungen mit hoher Staubbelastung sogar für den 24/7-Dauerbetrieb.
Einsatzbereiche
Der HDC 511 P eignet sich besonders für:
- Industriebetriebe mit explosionsfähigem oder gesundheitsschädlichem Feinstaub z. B. Metall-, Kunststoff-, Pulver-, Lack- oder Holzstäube unter ATEX-Bedingungen (Zone 20/22).
- Fertigungsanlagen, in denen eine kontinuierliche Absaugung nötig ist etwa Schleif-, Entgratungs-, Lackier- oder Pulverbeschichtungsprozesse.
- Zentralisierte Absaugstationen oder Produktionslinien mit mehreren Absaugpunkten der große Tank bzw. Longopac-Sack und die automatische Filterabreinigung ermöglichen lange Betriebszeiten ohne Unterbrechung.
- Schwerindustrien und Werkstätten mit hohen Sicherheitsanforderungen durch Edelstahlbauweise, leitfähige Filter und ATEX-Zertifizierung besonders geeignet.
Einsatzbereich: Hochleistungs-Industriestaubsauger für sehr feinen Staub, ATEX zertifiziert für Zone 20/22. Ideal für Schwerindustrie, explosionsgefährdete Umgebungen und zentrale Absaugsysteme. Wartungsfreier 24/7Betrieb für intensive Nutzung.
Motorisierung: 2 × Doppelstufen-Turbinen à 5,5 kW mit Thermoschutz (Gesamtleistung 11 kW)
Kennzeichnung: II 3G Ex dc h IIB T3 Gc / II 3D Ex h tc IIIC T135°C Dc IP65
Zone: ATEX Zone 20 (intern) + 22 (extern)
Leistung: 11 kW
Spannung: 400 V
Frequenz: 50 Hz
Stromaufnahme: 21 A
Luftstrom: 1.040 m³/h
Unterdruck: 320 mbar
Ventil-Unterdruck: 250 mbar
Sauganschluss: Typ D, tangential, 90 mm
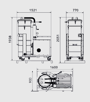
Abmessungen: 110 × 60 × 165 cm
Gewicht: 350 kg
Sammlungssystem: 160-Liter-Tank oder Longopac® System
Tank- und Longopac Austauschbarkeit: Ja
Material: Edelstahl AISI 304 (Filterkammer + Tank)
Filterkammer-Durchmesser: Ø 560 mm
Filtertyp: 5 × Patronenfilter HEPA + PTFE
Filterfläche: 50.000 cm²
Filterreinigung: Automatisches AIRSystem (No StopSuction mit Mikro Vibrationen)
HEPA-Filter: Optional H14 (99,995 % MPPS bei 0,12 µm)
Besonderheit:
- Extrem robuste Bauweise aus Edelstahl AISI 304 → für Schwerindustrie & explosionsgefährdete Bereiche.
- Sehr große Filterfläche (50.000 cm²) mit leitfähigen HEPA+PTFE Patronen → maximale Filtration.
- Patentiertes ICLEAN-System mit Mikrovibrationen → kontinuierliche Absaugung ohne Unterbrechung.
- Erhältlich in Versionen mit höherem Luftdurchsatz oder höherem Unterdruck → anpassbar an betriebliche Anforderungen.
- Standard-Sicherheitsventil & integrierter Schalldämpfer → erhöhte Sicherheit und reduzierte Geräuschentwicklung.
- Flexibles Sammelsystem (Tank oder Longopac®).
Vorteile & Nachteile
✅ Vorteile
- ATEX-zertifiziert für Zone 20/22 sicherer Betrieb in explosionsgefährdeten Staubatmosphären.
- Sehr hohe Saugleistung und großer Luftstrom geeignet für anspruchsvolle, staubintensive Anwendungen.
- Automatische Filterabreinigung mit ICLEAN ermöglicht 24/7-Betrieb ohne Unterbrechung und reduziert Wartungsaufwand.
- Große Filterfläche & HEPA/ PTFE-Filter hohe Abscheideleistung, auch für Feinstaub geeignet.
- Flexibles Sammelsystem (Tank oder Longopac) je nach Anforderungen an Entleerung und Hygiene.
- Edelstahl-Bauweise und robuste Konstruktion langlebig, korrosionsbeständig und sicher für industrielle Umgebung.
⚠️ Nachteile / Einschränkungen
- Relativ hoher Platzbedarf und Gewicht (ca. 350 kg) weniger mobil oder nicht für häufigen Standortwechsel geeignet.
- Höhere Investitions- und Betriebskosten im Vergleich zu kleineren Saugern sinnvoll v. a. bei intensiver Nutzung oder hohen Anforderungen.
- Entleerung bei Tankbetrieb erfordert manuelle Handhabung des Behälters bei gefährlichen oder kontaminierten Stäuben ggf. aufwendiger.
- Bei starkem Staubaufkommen und langen Einsätzen kann Filterwartung bzw. Periodik erforderlich sein wenngleich durch automatisches Reinigungssystem stark reduziert.
FAQ Häufig gestellte Fragen zum HDC 511 P ICLEAN AIR CLEAN ATEX 2-22
Für welche ATEX-Zone ist der Sauger zertifiziert?
Der Sauger ist zertifiziert für ATEX Zone 20 (intern) und 22 (extern).
Für welche Stoffe / Stäube eignet sich das Gerät?
Er ist ausgelegt für feinste und explosionsfähige Stäube z. B. Metall-, Kunststoff-, Pulver- oder Lackstäube. Durch HEPA+PTFE-Filter auch für feine Partikel bzw. gesundheitlich relevante Stäube geeignet.
Wie groß ist das Sammelvolumen und wie erfolgt die Entleerung?
Der Sauger bietet entweder einen 160-Liter-Tank oder ein Longopac®-Sacksystem, je nach Einsatz und Entleerungsanforderung.
Ist der Sauger für Dauerbetrieb geeignet?
Ja er ist konzipiert für Dauerbetrieb (24/7), mit automatischem Filterreinigungssystem und hoher Saugleistung.
Wie sicher und effizient ist die Filterung?
Mit 50.000 cm² Filterfläche und HEPA + PTFE Patronen bietet der Sauger eine sehr hohe Abscheideleistung. Die automatische ICLEAN-Filterreinigung sorgt für gleichbleibende Leistung und minimierten Wartungsaufwand.
Entdecken Sie jetzt unsere besten Alternativen Produkte & Angebote auf einen Blick

M H Filter

230 Volt aus 75% recycelte Kunststoff


